환경시설
페이지 정보

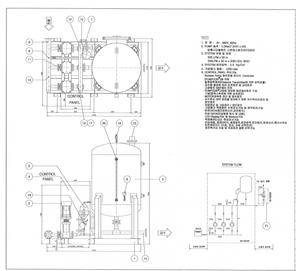
본문
프로젝트 설명
배관 설계(진행중)
기존 부스터 철거
배관 설치 및 용접
전기 작업
신규 부스터 설치 및 시운전
- 이전글수자원공사-덕소 덕수장 23.07.13
- 다음글영동 남성대 체력 단련장(골프장) 스프링쿨러용 기존 부스터 철거 및 배관작업, 신규 설치 23.03.15

프로젝트 설명
배관 설계(진행중)
기존 부스터 철거
배관 설치 및 용접
전기 작업
신규 부스터 설치 및 시운전